中文
/
EN
伟德1946客户端下载
公司概况
企业荣誉
企业文化
伟德国际app
手机版伟德bv客户端
伟德1946手机版
伟德登入网址
公司新闻
行业动态
公示栏
媒体视角
视频中心
联系我们
伟德1946客户端下载
伟德国际app
手机版伟德bv客户端
伟德1946手机版
伟德登入网址
媒体视角
联系我们
公司新闻
行业动态
公示栏
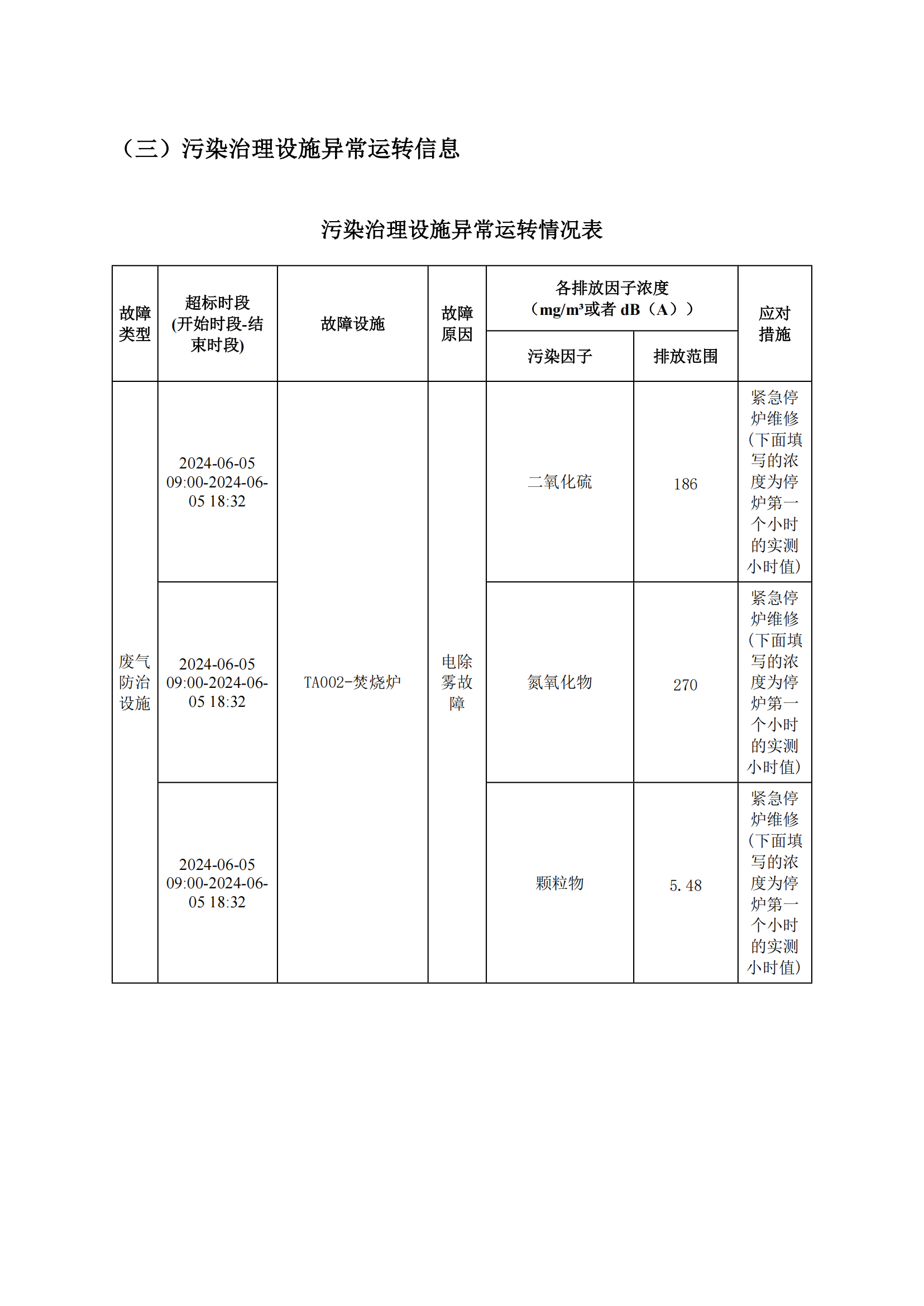
排污许可证执行报告季报2024年2季度
<
返回
RETURNED
下一篇 NEXT
相关新闻
排污许可证执行报告季报2024年1季度
2025-02-01
排污许可证执行报告季报2024年2季度
2025-02-01
排污许可证执行报告季报2024年3季度
2025-02-01
联系我们
伟德1946客户端下载
公司概况
企业荣誉
企业文化
伟德国际app
手机版伟德bv客户端
伟德1946手机版
伟德登入网址
公司新闻
行业动态
公示栏
媒体视角
视频中心
联系我们
地址:山东省东营市东营港经济开发区港西一路以西,港北一路以北
版权所有:山东国际伟德app 股份有限公司 | 备案号
鲁ICP备17014443号-1